Fisch´s Projekte-Seite


Projektbeginn: Juni 2011

DIY CNC - Spindeleinbau


Was eine CNC ausmacht ist natürlich das Fräsen.
Mit meiner CNC möchte ich später z.B. in Holz, Acrylglas, GFK/CFK oder eventuel auch Alu fräsen oder gravieren und natürlich auch Isolationsfräsen.
Da ich mir im Frühling 2012 bereits einen Dremel 300 gekauft hatte, auch in der Aussicht ihn in der CNC verwenden zu können, musste ich diesen nurnoch anbringen.

Nachtrag:Im Januar 2015 hab ich den Dremel, der extrem unruig lief, gegen eine Proxxon LB/E getauscht.Weiter unten mehr dazu.

Dazu hab ich wie auch bei der Stiftbefestigung eine Holzplatte genommen, die man mit vier Schrauben an der Z-Achse anschraubt.
Auf zwei Schaumstoffstücken wir der Dremel mit einem gebogenen Alublechstreifen angepresst.
Vorne noch ein Winkel aus Alu gebogen damit der Dremel noch etwas besser hält und nicht verrutscht.


Bei den ersten Fräsversuchen wollte ich nicht direkt einen teuren Fräser oder Bohrer ins Nirvana jagen, wesshalb ich ein kurzes Stück einer ca. 2,5mm Messingstange abgesägt und vorne etwas angespitzt hab.
Damit konnte ich ohne Probleme einen halben mm ins Holz gravieren.


Da in dem Dremel-Set kein Fräser enthalten war musste ich mir welche kaufen. Bei Ebay hab ich dann ein paar passende gefunden, darunter auch zwei Gravierstichel (2. Bild).
Die Gravierstichel brauche ich später zum Isolationsfräsen.


Desweiteren hab ich noch einen günstigen Fäser aus Wolfram-Vanadium und ein Dremel Bohrfutter gekauft.


Da die Gravierstichel in dem Set zum PCB Isolationsfräsen etwas zu Flach sind brauchte ich einen Spitzeren.
Der hier hat eine 40° Spitze mit einem Durchmesser an der Spitze von 0,1mm



Testfräsung: Puzzlewürfel


Um ein wenig die CNC zu Testen und den Workflow CAD - CAM - G-Code zu erarbeiten hab ich mir ein kleines "Projekt" überlegt:
Einen Würfel, bestehend aus 6 einzelnen Seiten, die richtig zusammengesteckt werden müssen.
Als Material hab ich ein 3mm dickes Reststück Hartfaserplatte genommen.

Als Student kann man sich Autodesk Inventor kostenlos unter students.autodesk.com herunterladen.
Als erstes hab ich einen Würfel erstellt. Um die Seiten aneinander Stecken zu können hab ich auf jede Seite ein paar 3mm tiefe Einkerbungen gezeichnet. Bei angrenzenden Seiten darf da, wo bei der anderen Seite eine "Einkerbung" ist keine sein und umgekehrt.
Nachdem alle Seiten gezeichnet waren konnte ich diese als DXF exportieren.


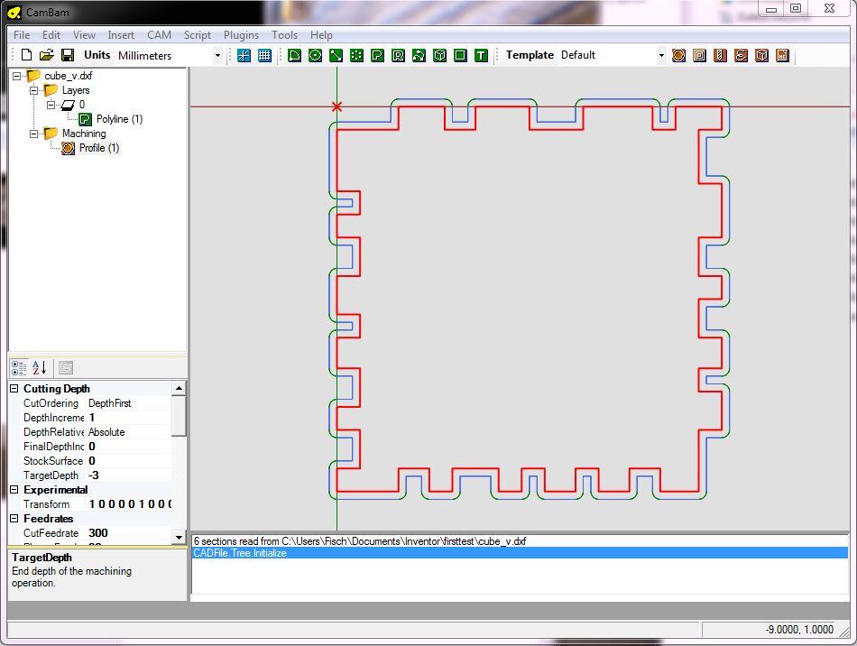
Die Exportierten DXF's ließen sich dann in CamBam laden, wo ich dem Polygon das 2.5D Profil zugewiesen hab.
An weiteren Einstellungen musste ich nur die Frästiefe (-3mm) und den Vorschub (300mm/min) angeben. Dann als G-Code abgespeichert und alle sechs Dateien auf den CNC-Laptop geschoben.
Die DXF Dateien und die G-Code's könnt ihr euch hier angucken.


Dann konnte es losgehn; Holzplatte eingespannt, Programm laden und Fräsen.
Als Fräser hab ich einen zwei Schneidigen 2mm Fräser genommen, Vorschub 300mm/min und mit einer Drehzahl von etwa 4000 U/min.


Macht Krach, Staub, sieht aber nachher gut aus.


Alle Teile fertig, allerdings musste ich nachher die inneren Rundungen eckig Pfeilen, damit die Teile perfekt zusammen passen.


Und dann mit etwas ausprobieren passte auch alles





Um Platinen zum PCB-Fräsen besser befestigen zu können hab ich eine MDF Platte (18 x 28cm) etwas zurechtgefräst, sodass sich die Platinen durch kleine Schrauben in dem vorgebohrten Raster festklemmen lassen. ( Hier gehts zum PCB-Isolationsfräsen)


Hier ein kurzes Video zum Fräsvorgang:
Get the Flash Player to see this player.


Später hab ich dann noch ein paar kleine Plättchen zum Festklemmen der Platine gefräst


Proxxon LB/E



Nach über zwei Jahren lautem, vibrierenden, ungenauem rumgefräse mit dem Dremel 300 hab ich mir endlich eine Proxxon gekauft.
Der Langhals-Bohrschleifer (Proxxon LB/E) hat den Vorteil von zwei Kugellagern in seinem langen Hals, was gerade beim CNC-Fräsen mit starken seitlichen Kräften auf die Welle sinn macht. Zudem ist er daran einfacher zu befestigen.


Der 60mm lange Hals lässt sich optimal zwischen zwei Klemmen einspannen. Die ausgefrästen Löcher in den Multiplexstücken haben ziemlich genau 20mm im Durchmesser, was dem Halsdurchmesser der Proxxon entspricht.
Beide Klemmen hab ich in der mitte durchgesägt. Durch den Verschnitt können beide Hälften mithilfe einer Gewindeschraube fest angezogen werden.


Wie auch schon der Dremel wird die Proxxon ebenfalls auf einem Holzbrett angebracht, welches dann mittels 4 Schrauben an die Z-Achse der CNC geschraubt wird.
Die Köpfe der vier Gewindeschrauben sind übrigens auf der unterseite versenkt.


Der Feststellknopf zum Wechseln der Werkzeuge befindet sich auf der von dem Ein-Schalter und Drehzahlregler aus anderen Seite. Daher ist sie wie im Bild zu sehen seitlich gedreht eingebaut.