Nachdem ich mir die Turnigy 9x (Auch bekannt als TH9x, Imax 9x, ...) bei Ebay für ca. 110€ ersteigert hatte wollte ich die Originalfirmware, welche eingeschränkte Einstellmöglichkeiten besitzt und mich vorallem mit ihrem nervigen Piepton bei jedem Tastendruck in den Wahnsinn treibt durch eine alternative Firmware ersetzen.
Da diese Fernsteuerung auf einem Atmega 64 basiert lässt sich dieser natürlich auch umflashen. Als Firmware gibt es u.a. er9x.
Doch bevor man Zugriff auf den Atmega hat, muss man die entsprechenden Kontakte am Mikrocontroller mit einem Programmer verbinden.
Dafür hab ich mir bei Hobbyking den günstigen USBasp ProgrammerUSBasp Programmer gekauft.
Als erstes hab ich den USBasp am PC angeschlossen (Windows 7 64Bit) und mit den Win7 Treibern von der Hobbyking Seite (unter Files, "win7 drivers") über den Gerätemanager installiert.
Zum späteren Flashen wollte ich mal eePe testen.
Um einen ISP-Stecker an die Fernsteuerung zu Löten muss diese natürlich erstmal geöffnet werden.
Nachdem die 6 Schrauben auf der Rückseite entfernt wurden lässt sich das Teil in zwei Hälften zerlegen.
Den bunten Stecker der die Platinen verbindet muss man dabei vorsichtig lösen.
Die Pinbelegung hab ich von hier.
Da meine Turnigy9x eine 2 war konnte ich alle Kabel an vorhandene Lötpads löten. Am anderen Ende kommt ein 2x3 Pin Stecker.
Den Stecker hab ich durch ein vorhandenes Loch an der linken Seite im Batteriefach gesteckt, da ich nicht unnötig am Gehäuse rumsägen wollte.
Er passt sogar noch neben die Batterien.
Dann gings ans Flashen, bzw erstmal die Firmware sichern.
Dazu hab ich die Fernsteuerung mit dem ISP verbunden und den USBasp in einen freien USB-Anschluss gesteckt.
Dabei hab ich die Batterien zuvor herausgenommen und alle Schalter nach vorne bzw. unten geschaltet (sodass kein Switch Error auftritt)
Nachdem der Programmer eingesteckt ist geht die Fernsteuerung an und piept ca. alle 3 Sekunden.
Unter eePe musste ich noch in den Einstellungen für AVRDUDE (Zahnrad Icon) das Programmiergerät auf "usbasp", mcu auf "m64" und die Schnittstelle auf "usb" stellen.
Danach sollte eigendlich der EEprom ausgelesen werden können, allerdings führte das bei mir nur zu einem Fehler. Da ich den EEprom aber eigendlich nicht mehr brauche hab ich dadrauf dann im weiteren verzichtet.
Die Firmware konnte ich aber ohne Probleme rüberladen und als Backup speichern.
Direkt danach gings dann ans Flashen mit der er9x.
Nach etwa 30 Sekunden war er dann fertig und das er9x Logo erschien auf dem Display.
Nach Befolgen der Anweisungen wurde der EEprom dann formatiert und ich konnte die Verbindung zum PC wieder trennen.
Batterien wieder rein, und fast fertig.
Ich musste nurnoch die Sticks und Potis kalibrieren.
Dazu über längeres Drücken der + Taste in die Einstellungen.
Dann zum Unterpunkt 6 "Calibration" navigieren (mit + und -) und Befolgen der Anweisungen (Zentrieren und Bewegen der Sticks und Potis).
Und das wars dann auch schon.
Nach einem kurzen Blick in die Anleitung der Firmware wurde mir deutlich, was sich damit alles anstellen lässt.
Akku
Da die NiMh Akkus, von denen insgesamt 8 Stück in die 9x kommen, doch recht schnell leer sind und ich nicht wirklich welche übrig hab kam mir die Möglichkeit, einen Lixx Akku einzubauen, gerade recht.
Zu diesem Zweck sollen LiFe Akkus besonders gut geeignet sein, da sie eine flache Entladekurve besitzen (Spannung sinkt später) und mit ca. 10V nicht zu viel Spannung für den Spannungsregler der 9x haben, da die überschüssige Energie sowieso in Wärme umgewandelt wird.
In diesem Sinne kaufte ich mir einen LiFePo4 1800mAh Akku beim Hobbyking. Leider war dieser dann doch ein paar mm zu groß und der Batteriefachdeckel passte nicht mehr.
Hobbyking bietet zwar einen LiFe Akku an (so'n Orangener) der perfekt in die Funke passt und die passenden Stecker besitzt, jedoch nicht im DE Warehouse aus dem ich mir zu dem Zeitpunkt bestellt hab.
Naja, Akku war da, passte nicht, was machen? Batteriefachdeckel neu bauen.
Falls du die erste, provisorische Aluabdeckung sehen willst, kannst du den Teil dazu Aufklappen:
Dazu hab ich ein Stück Alublech zurechtgeschnitten und ähnlich dem Plastikdeckel vorne zwei Haken gebogen.
Das Ganze dann in einem weiten Bogen U-Förmig angepasst.
Damit der Aludeckel auch hält muss er noch unten am Gehäuse einhaken. Dazu hab ich ein Stück Aluwinkel so lange vergewaltigt, bis es zumindest hielt.
Der Aluwinkel kommt dann von innen an das Alublech und wird mit zwei Gewindeschrauben daran befestigt. Mit der dritten Schraube kann der Winkel nach innen gekippt werden, wodurch der Deckel dann nicht mehr abfallen sollte.
Wunderschön würde ich das jetzt nicht direkt bezeichnen, aber es erfüllt seinen Zweck.
Akku rein, schnell noch einen Adapterstecker zurechtlöten und anschalten ... funktioniert. Vor Betrieb natürlich noch einmal volladen.
Dann sollte man ebenfalls nachmessen, ob die angezeigte Spannung auf dem Display auch mit einer eigenen Messung übereinstimmt. Falls nicht kann man die Spannung in den Einstellungen unter Punkt 5 einfach entsprechend anpassen.
Die Warning Voltage stellt man danach auf mindestens 8,5V ein.
Nach einigen Monaten sollte endlich mal der provisorische Aludeckel ersetzt werden.
Dazu als erstes den kleinen originalen Deckel in Sketchup nachgezeichnet und dann etwas nach hinten hin vergrößert.
Das Teil als .stl exportiert (mit einem Plugin), gesliced und den generierten gcode einem 3D-Drucker zu fressen gegeben. Raus kam das hier..
Der geübte Beobachter erkennt, es fehlen vorne die kleinen Clips. Diese sind beim Entfernen der notwendigen Stützen leider mit abgebrochen. Zudem ist das ABS beim Drucken an den hinteren Halteschlitzen etwas verlaufen (Einstellungen waren noch nicht ganz optimal).
Somit musste ich diese wichtigen Kleinteile nachdrucken. War aber schnell gezeichnet und ausgedruckt. Mit ein paar Tropfen Sekundenkleber halten die Teile Bombenfest, da das ABS durch den Sekundenkleber kurzzeitig wieder flüssig wird.
Damit die Abdeckung richtig passt musste ich einiges an Material vorsichtig abschleifen.
Um den Deckel nicht jedes mal abnehmen zu müssen (wer weiß wie lange das gut geht) um den Akku aufzuladen kam mir spontan die Idee, den Balancer Anschluss vom Lifepo herauszuführen und den Akku darüber aufzuladen.
Also in die Seite einen kleinen Schlitz gedremelt, sodass eine 6x2 Buchsenleiste da rein passt. Da nur 4 Kontakte benötigt werden lasse ich zwei an den oberen Ecken unbenutzt, einen davon klebe ich dicht. Dadurch sollte der Stecker Verpolungssicher sein. Innen steckt man dann einfach den Balancerstecker dran (nicht ganz verpolungssicher, wird aber vorraussichtlich nicht oft abgesteckt).
Nachtrag 21.1.2014: Plus und Minus des zweipoligen Steckers vom Akku hab ich an eine 3-Polige Buchsenleiste gelötet, welche dann direkt in den Akkuanschluss der 9x gesteckt wird.
Pinbelegung wie im Bild von links nach rechts: Minus, Plus, unbenutzt.
Das Adapterkabel zum Laden war auch relativ schnell gelötet. Dann konnte der Akku mit etwas Schaumstoff wieder rein.
Sieht schon um weiten Besser aus als vorher
RP-SMA Mod
[Edit: Am 10.9.2013 habe ich das Turnigy 9x Modul bezüglich des RP-SMA Steckers etwas modifiziert. Siehe weiter unten.]
Um in Zukunft andere Antennen an der Fernsteuerung anschließen und zum besseren Transport auch abschrauben zu können wollte ich einen RP-SMA Stecker (Standard für W-LAN Antennen) anbringen.
Von der Turnigy 9x (oder wie sie sonst noch heißt) gibt es verschiedene Ausführungen. Bei meiner war die Antenne fest am Gehäuse angebracht und über ein dünnes Koaxialkabel mit dem Sendemodul auf der Rückseite verbunden.
Es gibt auch Module, bei denen die Antenne direkt am Modul befestigt wird. Da ich es aber etwas störend finde wenn die Antenne auf der Unterseite heraussteht hab ich die Position der Antenne nicht verändert.
Um es gesagt zu haben: Durch die "Modifikation" der Sendeantenne erlischt u.U. die Betriebserlaubnis, da eine Antenne mit höherem Gain die in Deutschland festgelegte Grenze der Feldstärke im 2,4Ghz Band überschreiten lässt. Besonders bei Richtantennen ist dies der Fall.
Als erstes musste ich das Gehäuse der Fernsteuerung, sowie des Moduls aufschrauben und das graue Koaxialkabel ablöten.
Um später einmal die alte Antenne wieder anschließen zu können hab ich ein neues Kabel verlegt. Das RG 174 ist um einiges Dicker, sodass ich die Löcher im Modul und im Modulschacht auf 4mm aufbohren musste.
Am anderen Ende des Kabels ist der RP-SMA stecker angecrimpt und in das vorhandene Loch mit etwas Heißkleber gesteckt.
Somit lassen sich nun nach Belieben verschiedene Antennen an der Fernsteuerung anschrauben.
Edit 30.3.2013:
Nachdem mir aufgefallen war, dass der SMA Stecker einen Kurzen hatte und desshalb die Rangetests entsprechende Ergebnisse lieferten musste ich diesen neu verlöten.
Zudem wollte ich mir die Möglichkeit verschaffen das FlySky Modul samt SMA Stecker ohne großes rumlöten herausnehmen zu könnten.
Da das Coaxkabel mit der Platine fest verlötet und am anderen Ende der Stecker angecrimpt wird blieb nur die Idee den SMA Stecker mit dem Modul herauszuziehen. Damit der Stecker durch das Loch im Modulschacht passt musste ich es auf 10mm aufbohren.
Der SMA Stecker wird dann vom Inneren des Gehäuses durch eine angeklebte Unterlegscheibe geschoben und an ihr festgeschraubt.
Das RG174 Koaxialkabel ist diesmal auf der unterseide der Platine angelötet und mit etwas Heißklebe Fixiert.
Zwar muss man zum vollständigen Entfernen des Moduls immernoch das Gehäuse geöffnet werden, ist aber trotzdem besser.
Edit 20.4.2013: Da die angeklebte Unterlegscheibe nicht so gut gehalten hat und auch bescheiden aussah hab ich einen kleinen Aufsatz ge-3D-druckt.
Dieser musste nicht einmal angeklebt werden, da er sich mit etwas Isolierband dazwischen gut festklemmen lässt.
Receiver
Nach dem Sender brauchte nun auch noch der Empfänger einen RP-SMA Stecker.
Dazu hab ich ein ca. 7mm großes Loch in das Gehäuse gebohrt und den Stecker von innen durchgesteckt.
Der Stecker passt ziemlich genau in die Lücke zwischen Platine und Gehäusewand. Masse hab ich großzügig verlötet, der Innenleiter ist über eine kleine Drahtbrücke mit der Platine verbunden.
Deckel wieder drauf und fertig.
Turnigy 9x Modul Antennenmod
Um in Zukunft die Möglichkeit zu haben, auch andere Modul schnell einsetzen zu können musste ich den RP-SMA Stecker direkt an das Modul verlegen, sodass kein Kabel mehr in die Funke führt.
Manche Module, wie z.B. das Orange haben den SMA stecker direkt am Modul. Dabei stört mich allerdings, dass wenn man die Fernsteuerung ablegt diese direkt auf einer eventuel angeschraubten Antenne aufliegt.
Besser währe, wenn der Stecker direkt aus dem Modul nach oben zeigen würde. Zwar gibt es 90° SMA Winkeladapter, allerdings verliert man dadurch ein wenig an Reichweite.
Als erstes hab ich eine Art Winkel designed und gedruckt. Dieser wird auf den Moduldeckel geklebt, der RP-SMA stecker kommt vorne in das "Rohr".
STL-File dazu: turnigy9x_modulsmawinkel.stl
Nach ein bisschen Korrektur mit einem Bohrer und Schleifpapier passte dann auch der Stecker vorne rein.
Um nicht den Originaldeckel zu verhunzen und weil es mit Plexiglas etwas mehr DIY aussieht hab ich aus solchem einen passenden Deckel CNC-gefräst.
DXF: 20130910_turnigy9xmoduldeckel.dxf Oben halten ihn zwei Schrauben fest, unten wird er in zwei Schlitze geschoben. Am Deckel selber musste ich also noch zwei L-Stücke ankleben.
Danach konnte das Coaxialkabel durch den Plexiglasdeckel gesteckt und wieder an der Platine verlötet werden.
Das orangene ABS-Winkelteil ist mit Sekundenkleber auf das Plexiglas geklebt.
Hier noch mal die Haken auf der Unterseite.
Oben auf das 3D-gedruckte Teil kommt noch eine kleine Plexiglasplatte. Diese ist mit etwas Heißklebe befestigt, damit sie bei bedarf irgendwann auch wieder abgenommen werden kann.
Antenne drauf, Modul rein. Läuft.
Nachtrag: 30.8.2014: An dieser Stelle möchte ich noch hinzufügen, dass das 9x Sendemodul (zumindest meins) irgendwo um die 5800Mhz mit ein paar Mhz Bandbreite Störungen sendet. Dadurch hatte ich bei manchen der RC305 FPV Empfänger bei geringerer Entfernung zwischen Funke und dem Empfänger flackernde horizontale Streifen im Bild. Nach Umstellung von 5790 Mhz auf 5866 Mhz waren die Streifen verschwunden.
RSSI
Um die Signalstärke am Empfänger auszulesen gib es an vielen Chips einen RSSI (Received Signal Strength Indication) Pin. An diesem Lässt sich bei vielen Empfängern an der Spannung (zwischen 0V und 5V) die ungefähre Empfangsstärke ablesen. Zwar sind Empfangsstärke und tatsächliche Empfangsqualität aufgrund von Interferrenzen nicht proportional zueinander, dennoch kann man die Reichweite damit gut einschätzen.
Leider besitzt der Turnigy 9x Receiver keinen RSSI Ausgang am Gehäuse. Da aber die letzten beiden Pins zusammen verbunden sind (also praktisch Channel 9 und 10) und somit einer theoretisch überflüssig ist, kann man die Leiterbahn auf der Platine durchkratzen und den letzen Ausgang für RSSI verwenden.
Der 9x Receiver V2 basiert auf einem A7105 Chip (Datenblatt). Laut Datenblatt befindet sich der RSSI an Pin 1 des IC's.
An diesem sitzt ein kleiner SMD Kondensator 4,7M Ohm Widerstand richtung Masse. Leider ist mir dieser beim Versuch das Kabel anzulöten abgebrochen. Da ich aber bis jetzt noch keine Funktionsbeeinträchtigung festgestellt habe lass ich es erstmal so.
So sieht das RSSI Signal am Oszilloskop aus. Eigendlich hatte ich eine gerade Linie zwischen 0V und 5V erwartet. Nach ein wenig austesten war klar, nur der Teil des Signals mit der niedrigsten Spannung verändert sich beim Bewegen der Fernsteuerung.
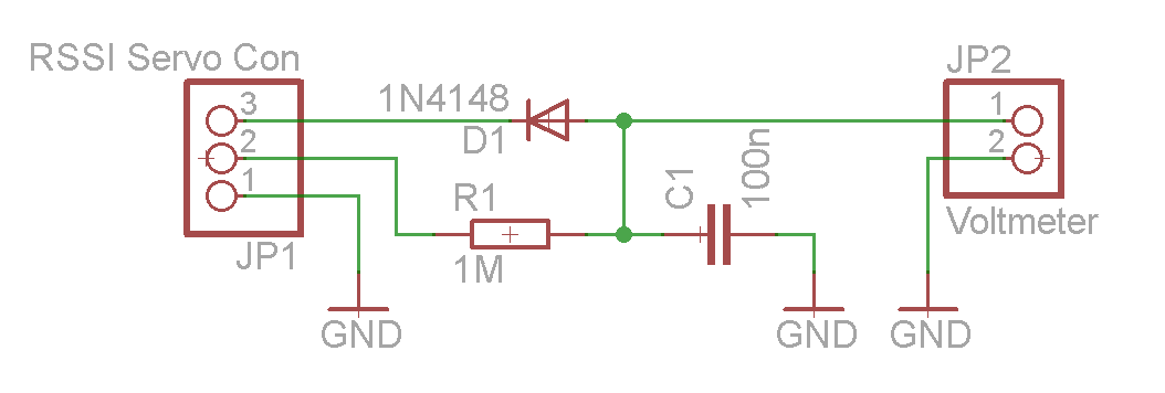
Zum herausfiltern des niedrigsten Pegels dient diese kleine Schaltung. Der RSSI Servo Connector kommt einfach an den letzten Anschluss des Receivers. Somit entspricht Pin 1 am JP1 Masse, Pin 2 5V und Pin 3 ist der Umgelötete RSSI Pin.
So sieht das Signal nun am JP2 aus. Schon viel besser, entspricht aber noch immer nich einem üblichen RSSI Signal, wie es u.a. für ein OSD (On Screen Display) benötigt wird.
Die Spannung schwank hier zwischen etwa 0,7V bei sehr gutem Empfang, bis etwa 1,2V bei schlechtem Empfang und liegt bei ausgeschalteter Fernsteuerung bei über 1,3V.
Die obige Schaltung besteht nur aus drei Bauteilen, die jeweils von VCC (5V), GND und dem RSSI des Chips zu einem gemeinsamen Punkt führen. Das folgende Bild beschreibt es denke ich besser als ich umschreiben könnte. 5V und Masse hab ich von den freien Pads links genommen.
Kleiner Rangetest
Endlich kam ich dann mal zu einem kleinen Vergleichsrangetest. Der Sender mit eine Rundstrahlantenne von einem alten Router stand auf der Fensterbank in etwa 3m Höhe. Die Antenne zeigt Richtung Himmel, Reflektionen durch das Fenster kann ich nicht ausschließen.
Empfängerseitig ist eine kleine Rundstrahlantenne eines D-Link Access Points aufgeschraubt. Zwischen RSSI Ausgang und Multimeter befindet sich die kleine Schaltung zum Herausfiltern der niedrigsten Spannung (s.o.).
Mit einer 9V Blockbatterie, einem LM317 Spannungsregler (5V), dem Turnigy 9x v2 Receiver und einem Multimeter in einem Karton bin ich die Straße entlanggegangen (senkrecht zum Fenster).
Die Reichweite ist im Vergleich zu einer vorherigen Messung mit Standart Antennen und ohne SMA-Mod etwas gestiegen, lässt sich aber nicht genau sagen, da bei beiden Messungen die Verbindung erst mit mehreren Häusern dazwischen zusammenbrach.
Hier mal die Tabelle mit den Messergebnissen:
Luftstrecke [m]
Hindernisse / Standort
Spannung [V]
0
<= 0,74
2
0,76
4
0,765
25
0,78
40
2m hinter Baumstamm
0,86 - 0,9
60
Baumstamm auf halber Stecke
0,88 - 0,93
100
Gebäude auf halber Strecke
0,91 - 0,98
150
Gebäude, ein oder zwei Bäume
1,10 - 1,13
160
zwei Gebäude
1,15 - 1,21
185
etwa drei Gebäude
>= 1,24, Funkabriss
Fernsteuerung aus
>= 1,33
Hintergrundbeleuchtung
Wenn es Abends doch etwas schneller dunkel wird und man mal einen Blick auf seine Fernsteuerung werfen will ist es meist hinderlich, wenn dieses nicht beleuchtet ist.
Desshalb bestellte ich mir bei Hobbyking das "Turnigy 9X LCD Backlight Kit - White (DIY)". Dieses gibt es auch in Grün, Blau und Rot. Da schwarze Schrift auf rotem Hintergrund schlecht zu lesen ist und Blau/Grün zu sehr Standart ist entschied ich mir für das Weiße.
Das Einbauen war mithilfte der kleinen Bilderanleitung auf der Produktseite schnell erledigt.
Auseinanderschrauben, Platine nach hinten biegen, alten Schaumstoff abziehen (klebte sehr gut), ...
... neuen draufkleben
Beleuchtungskit anschließen und mit etwas Isolierband fixieren. Danach wieder zusammenbauen
und fertig
OrangeRx SMA Verlegung
Um den kleinen V949 Quad mit Micro MWC zu steuern musste ich mir ein OrangeRx DSM2 Modul kaufen.
Was mich direkt störte war der SMA Anschluss, da ich mich bei dem Turnigy9x Modul bereits auf RP-SMA festgelegt hatte und die meisten 2.4GHz Antennen einen RP-SMA Anschluss besitzen.
Zweitens kann ich nicht verstehen, warum die Antenne senkrecht auf das Modul geschraubt wird. Selbst wenn die Antenne um 90° eingeklappt ist liegt die Fernsteuerung immer auf der Antenne auf.
Genug gemeckert, jetz wirds besser gemacht!
Als erstes hab ich den Deckel abgeschraubt und die Maße in Autodesk Inventor übertragen. Der Antennenanschluss soll parallel zum Deckel nach oben raus zeigen. Dazu ein kleines zusammensteckbares "Häusschen" designed, sodass die Kabel geschützt im inneren des Gehäuses liegen.
DXF Download: OrangeRX_deckel.rar
Gefräst hab ich die Teile aus etwa 2mm dicker Hartfaserplatte. Erstes lockeres zusammenstecken und nachpfeilen zeigt: es Passt ... nicht. Das Antennenkabel stösst im inneren gegen den "Deckel", sodass dieser nicht ganz draufpasst. Nachdem ich eine 1mm tiefe Tasche von innen in den Deckel nachgefrässt hatte passte es nun.
Unterteil, Seiten und das kleine vordere Teil halten mit Heisskleber gut zusammen. In unauffälligem matt Schwarz passt sich das Modul gut an die Turnigy9x an.
In dem original Plastikdeckel waren auf der Innenseite zwei Abstandshalter, damit die Platine nicht herausgedrückt wird. Ein kleines eingeklemmtes Stück Holz in der unteren rechten Ecke wird aber wohl auch reichen.
SMA Stecker reingeschraubt, Deckel drauf, festschrauben und fertig.
So sieht es dann in der 9x eingebaut aus
Später hab ich das Teil nochmal aus 1,5mm CFK gefräst.
DXF Download für die 1,5mm Version: OrangeRX_deckel_1_5mm.rar
FrSky Telemetry Mod
Langsam wurde es Zeit für ein besseres Funksystem. Im 2.4Ghz Segment hab ich bis jetzt nur positives von FrSky gehört. Da mein Turnigy 9x (FlySky) Modul reichweitentechnisch Probleme machte hab ich mir ein FrSKY DJT Modul und einen passenden D8R-II plus Empfänger von BRC Hobbies zugelegt. War etwas teurer als vom hobbychinesen, dafür aber aus England innerhalb von 3 Tagen da.
Das DJT Modul, sowie der D8R-II unterstützen Telemetrie, also das zurücksenden von Daten wie Empfangsstärke (RSSI) und Analogen Werten (Temperatur, etc) an die Funke.
Damit die Telemetriedaten auf dem Display der Turnigy 9x (der Mod geht bei der 9XR auch) angezeigt werden, bedarf es etwas rumgelöte auf den Platinen im Inneren der Funke und dem Modul.
Aber alles nach der Reihe; Hier das FrSky DJT Modul mit beiliegender Stabantenne und dem D8R-II Plus.
Zum übertragen der Daten werden zwei Datenleitungen benötigt. Diese müssen an zwei Eingänge des in der 9x verbauten Atmega 64, welche aber von zwei Schaltern bereits belegt sind.
Hierbei kommt man also nicht darum herum, die zwei Schalter auf andere Pins des Atmega zu verlegen. Es gibt an dieser Stelle zwei Möglichkeiten: Entweder man trennt zwei Leiterbahnen auf und lötet zwei dünne Kabel dahinter, oder (wofür ich mich entschieden hab) man lötet zwei SMD Widerstände aus und verlegt zwei Kabel mit entsprechenden Ersatzwiderständen (ca. 220 Ohm) zur anderen Seite des Mikrocontrollers. Hier die Anleitung, der ich gefolgt bin. Dort sind beide Wege beschrieben.
Nachdem die Schalter verlegt wurden, können die zwei Kabel für die Telemetrie Datenübertragung (hier Rot und Schwarz) eingelötet werden. Praktischerweise sind es zwei der Pins, die bereits für den ISP belegt sind, wodurch es hier zwei Lötpads gibt. Beim flashen der Firmware über den ISP sollte man dann am besten das Modul herausnehmen.
Nun müssen die beiden Kabel nurnoch zum Modul geführt werden. Die 5 Polige Stiftleiste für die Verbindung zu den JR Modulen benötigt eigendlich nur 5V, GND und PPM. Die beiden anderen Pins sind entweder auf Masse gelegt (im ersten und dritten Bild die zweiten von oben) oder waren für den FM Antennenausgang (die untersten), welcher normalerweise nicht mehr verwendet wird.
Die Leiterbahnen können also getrost mit einem Cuttermesser aufgetrennt werden, auf der Oberseite führen von dem zweiten Pin an den Seiten auch zwei Bahnen richtung Massefläche, die ebenfalls durchtrennt werden müssen. Nachdem die beiden keine Verbindung mehr aufweisen wird an dem untersten das rote Kabel angelötet, an dem zweiten von oben das Schwarze mit einem 470 Ohm Widerstand dazwischen.
Damit die 9x noch in zwei Hälften zerlegt werden kann empfiehlt es sich, einen zweipoligen Stecker in der Mitte der Kabel anzubringen.
Nun muss das DJT Modul seine Telemetriedaten nurnoch richtung Stiftleiste schicken.
Dazu werden die beiden Schrauben gelöst und die Platine herausgezogen.
Auf der Rückseite muss von dem Pegelwandler IC das Signal an den zweiten Pin der Buchsenleiste gelegt werden. Dazu nimmt man einen dünnen Kupferlackdraht und lötet ihn vorsichtig an das dritte Beinchen von oben (siehe Bild) und auf der anderen Seite an den zweiten Pin der Buchsenleiste (an dem, wo in der Funke der Widerstand hägt; Die Anleitungen im Netz unterscheiden sich hier Teilweise!).
Bevor man an dieser Stelle die 9x wider einschaltet, muss noch die modifizierte Firmware geflasht werden: ER9x-FRSKY oder ER9x-FRSKY-NOHT unter "Latest Binaries".
Wer seine gespeicherten Modelle behalten will sollte diese vorher mit eepe aus dem EEPROM lesen und sichern. Nach dem Flashen der neuen Firmware muss der EEPROM (zumindest bei mir) gelöscht werden (beim ersten Start), danach können die Modelle mit eepe wieder übertragen werden.
Wenn alles geklappt hat sollte in einem der "Screens" (durchblättern mit den Richtungstasten) die RSSI werte RX und TX angezeigt werden, vorrausgesetzt der Empfänger wurde korrekt gebunden.